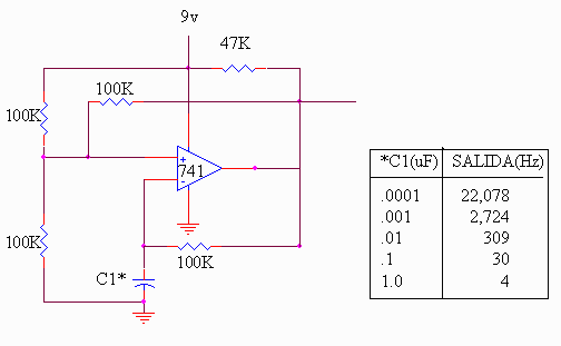
OSCILADOR DE ONDA CUADRADA
Básicamente este circuito es un comparador de voltaje entre las entradas + y -, es decir cuando el voltaje del condensador C1 entrada - supera el valor dado por el divisor de voltaje a la entrada +, la salida cambia su valor a un nivel bajo y el condensador empieza a descargarse hasta que tenga un valor menor al de la entrada + es entonces cuando el comparador conmuta su salida y el condensador vuelve a cargarse y se repite el proceso.
