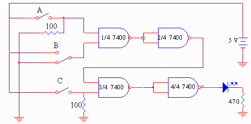
COMPUERTA AND DE TRES ENTRADAS

El LED se encenderá únicamente cuando las tres entradas A,B y C estén en un nivel lógico alto.

Pagina Principal