MoPinball Home Page  
  Superman Schematics

The schematic diagrams for the Atari Superman pinball machine consisted of
four very large white prints that are difficult to copy and reproduce.

The drawing contents were -

  Superman Interconnect Diagram

Processor PCB Schematic Diagram

I/O PCB Schematic Diagram

Playfield Wiring Diagram with Color-Coded Wires

Playfield Wiring Diagram with Hot Stamped Wires

Display Wiring Diagram with Color-Coded Wires

Display Wiring Diagram with Hot Stamped Wires

LED Display PCB Schematic Diagram

Fourescent Display Driver PCB Schematic Diagram

Playfield Harness routing

Display Harness Lamp Socket Assembly

  Sheet 1, Side B

Sheet 2, Side A

Sheet 2, Side B

Top Half Sheet 3, Side A

Bottom Half Sheet 3, Side A

Top Left Quarter Sheet 3, Side B

Top Right Quarter Sheet 3, Side B

Bottom Left Quarter Sheet 3, Side B

Bottom Right Quarter Sheet 3, Side B

Sheet 4, Side A

Sheet 4, Side B

       

The following pages were scanned in sections.
Each section contains an entire schematic for various area's on the curcuit boards.
The drawings were scanned at 200 dots per inch and are available as GIF images.

If you need a program to view and print the images, download "Irfanview" using the URL below.

http://www.irfanview.com/english.htm

 
       
 
Processor PCB Schematic Diagram - Sheet 2, Side A

Clock & Watchdog Counter
Address Decoder
Program Memory
Battery Backed RAM and RAM
Power Input Battery and Power Reset
Game Options
I/O PCB Interface
Display Interface
Audio
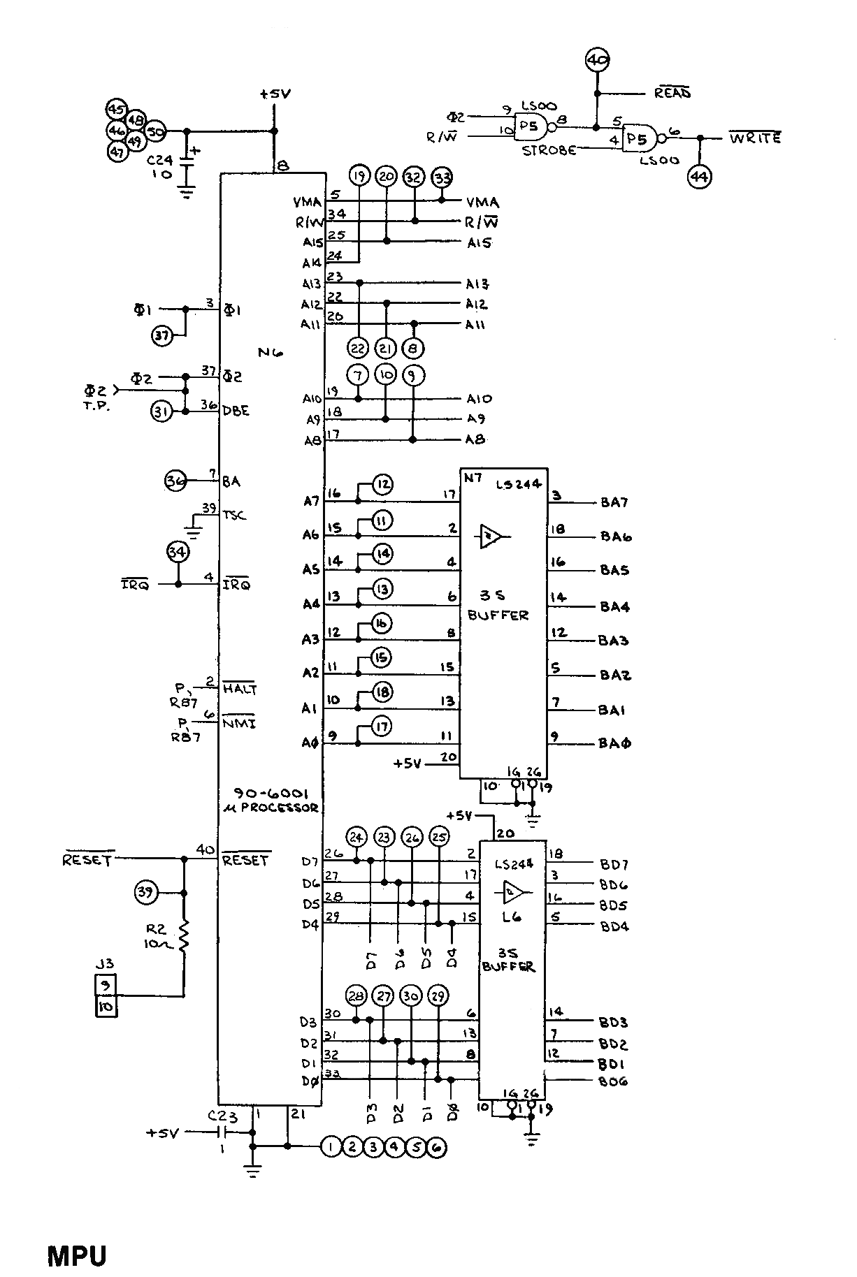
MPU

 
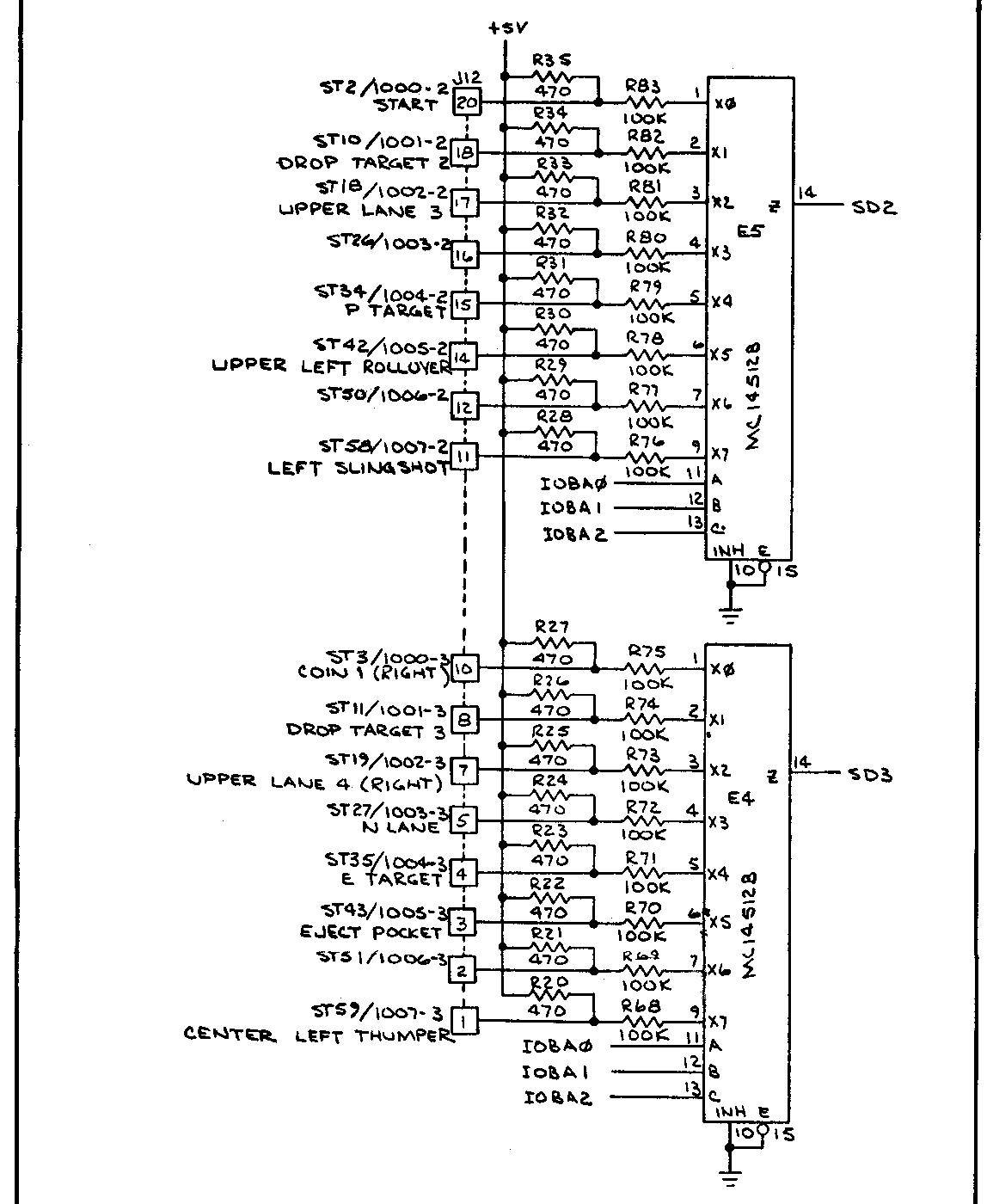
I/O PCB Schematic Diagram - Sheet 2, Side B

Switch Interface J11
Switch Interface J12
Switch Interface J13
Lamp Interface J17-J18
Lamp Interface J15-J16
Solenoid Interface Flipper enable & Coin lockout
Solenoid Interface (everything else)
Audio Amplifier
Processor PCB Interface