Newradio
Open

Turkey
TA2CKJ
Radio

IF AMPLIFIERS by Harry Lythall

Here are a few IF amplifier subsystems that may be of interest for a few different applications. All of these would normally be preceeded by a crystal or ceramic filter to limit the IF bandwidth for communications purposes. Where a capacitor is marked Cx this means the capacitor is an integral part of the coil or transformer that it tunes.


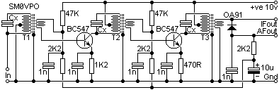
Traditional AM

This circuit is the old traditional two-transistor AM receiver type of circuit, complete with some form of AGC. For amateur use the amplifier is still quite usefull as the IF out can be used to feed a product detector for CW or SSB use.

This circuit normally operates at 455KHz using readily available coils. A Pack of 5 coils costs $0.95 (P-C216) from Antique Electronic Supply, but I don't think they have many left in stock.


Cascode Novel IF strip for FM

This is a really novel circuit and is suitable for Narrow Band FM applications for a 455KHz IF system. It is particularly usefull in portable applications where battery power consumption is of prime importance.

If you fillow the DC path from positive to negative you will see that the first three transistors are in series whilst the signal paths are consecutive. A final output transistor can give quite high IF voltages. The gain of this circuit is so high that clipping of the IF signal takes place making it ideal for driving an FM detector.


FM IF subsystems

This IF subsystem is a complete IF amplifier and FM detector. It't particular advantage (for me) is that I have used it in many receivers and I know it well.

I have found the IC to be rather cheap and available from a company called Mainline in the UK. No further info - sorry. In spite of this circuit having quite a few components it can be built in a small space and detect 455KHz IF. L1 is about 50 turns (thin wire on a 5mm former).

If you want something for 10.7MHz then I can recomend the CA3089 or the more sensitive CA3189 (direct plug-in equivalent)

One word of warning, I have not been sucessfull in using the CA3089 in a double superhet where there is both 10.7 AND 455KHz at the input circuitry. It's gain seems to fall off rapidly as the frequency is reduced. This circuit is NOT as sensitive as the TBA120.

                               
Copyright 2000 Advanced and Designed by ;
TA2CKJ.
All rights reserved.
Tel : +90 216 4996237 - 38
Fax : +90 216 3140605
TURKEY