TRANSMISOR FM 88-108MHz
Autor: Saúl Rodríguez Dueñas
El presente proyecto fue implementado durante el curso de analógica y radiofrecuencia durante el período febrero-junio 1998. El diseño fue encontrado en la página web de Len Galasso, un radioaficionado entusiasta.
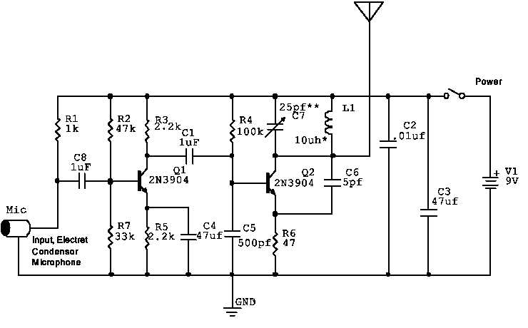
Como es conocido, al trabajar con circuitos analógicos se presentan problemas de gran complejidad que aumentan conforme el tamaño del circuito se hace mas grande asi como también cuando aumenta la frecuencia de operación. Este circuito de un transmisor FM presenta una solución práctica al problema al ser su diseño sumamente sencillo y fácil de construir. Su operación requiere de una fuente DC de 9-12V preferentemente con baterías, no se deben usar adaptadores de voltaje debido a que por su construcción introducen gran cantidad de ruido en el circuito tanque y contribuyen a su inestabilidad. Para usarlo con otras fuentes externas, se debe usar circuitos reguladores de voltaje adicionales para filtrar el ruido de la red que acompaña a la señal DC(no lo he probado).
Su simplicidad sin embargo trae un poco de problemas con su estabilidad. Al ser un circuito VHF no se recomienda construirlo en un protoboard debido a las capacitancias parásitas que presentan los contactos y las conexiones con cables. Incluso su construcción en placa requiere consideraciones para RF. El autor recomienda usar un tipo de construcción denominada "nido de ratas" que a pesar de ser muy poco estética, le da un poco mas de estabilidad al circuito.

Como se puede apreciar en el circuito existe una etapa de amplificación y una de modulación FM. La primera produce una amplificación de ganancia mas o menos de 6dB (Vo/Vi = 4). La segunda etapa actua como un VCO (Voltage Controled Oscilator) aprovechando la capacitancia base-emisor del 2N3904. Su funcionamiento es sencillo. Al cambiar la frecuencia en la base del transistor del VCO, la capacitancia base-emisor de este varía provocando un cambio proporcional en la frecuencia del oscilador.
Toda la información completa sobre el transmisor FM para Acrobat Reader: fmtheory.pdf