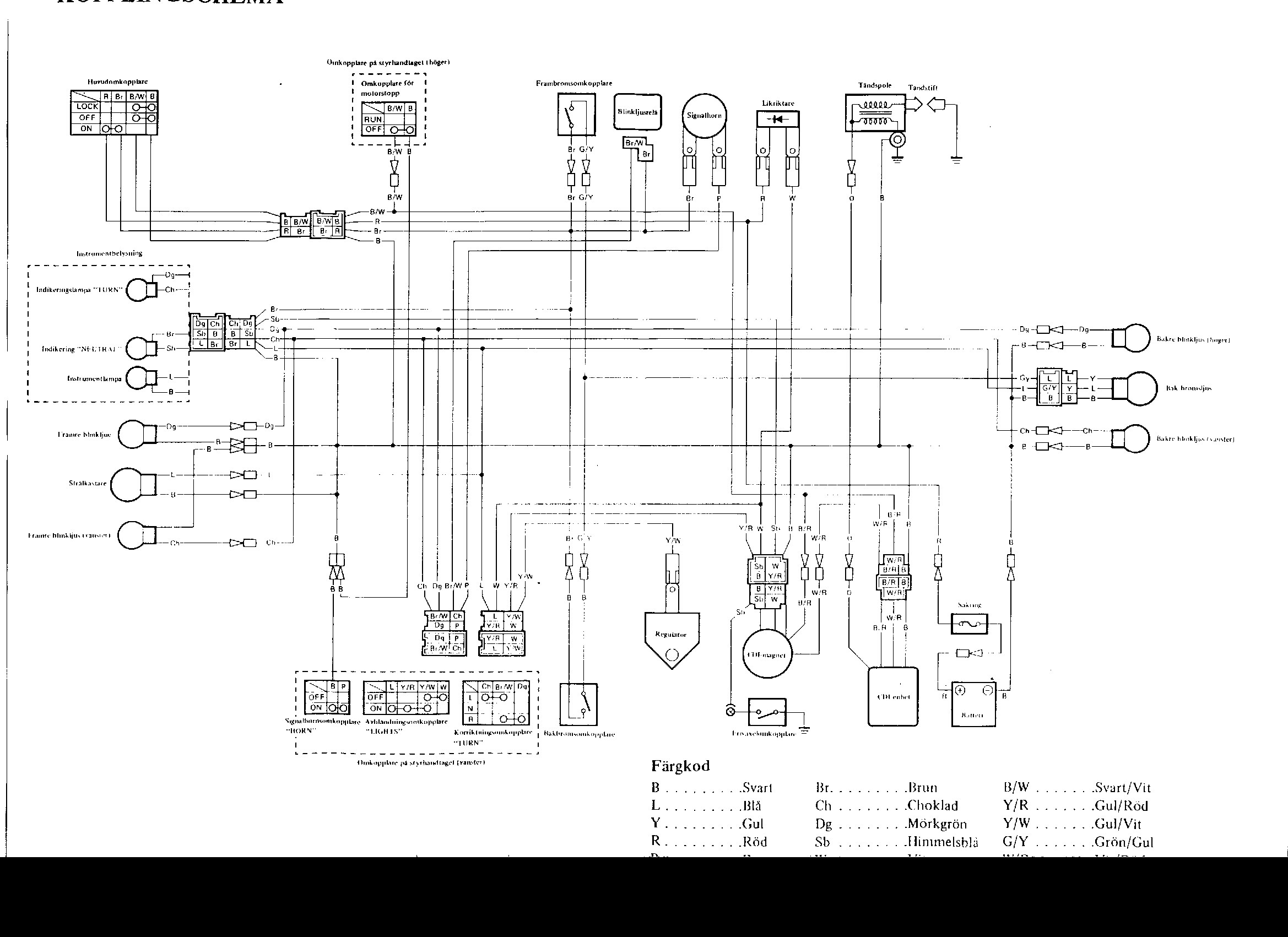
Till DT50