LM3886 OvertureTm
High-Performance 68W True rms Audio Power Amplifier
The Lm3886 is a high-performance audio power amplifier capable of delivering 68W of continuous average power to a 4 Ohms load with 0.1% (THD+N) from 20Hz to 20KHz.
General Features of this chip includes...
- Maximum average power output at Vcc +-28V = 38W
- At Vcc +-35V, Output = 68W
- Signal-to-Noise Ratio greater than 92 dB
- An input mute function
- Output protection from a short to ground or to the supply rails
- Output Overvoltage protection against transients from inductive loads
- Peak current capability 11.5 A
- SPiKe (Self Peak Instantanious Protection) Circuitry
- Typical THD+N = 0.03%
- Slew Rate typical = 19V/us
This chip contains a SOA (Safe operating Area) protection circuitry, which means that the output power transistors are completly protected against over or undervoltage, overloads, including short to the supplies, thermal runaway and instantaneous temperature peaks.
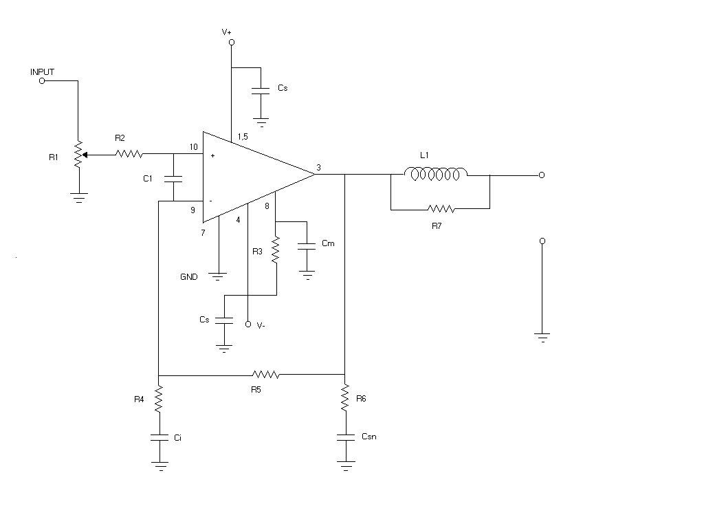
COMPONENT LIST
R1 10K R2 1K R3 6.8K R4 4.7 R5 100K R6 2.2Ohms R7 10Ohms
Cs .47MFD 63V Cm 100MFD 63V Ci 10MFD 63V Csn .1MFD 100V L1 0.7uH
Important Notes
- L1 can be made by winding 10 turns of 24 SWG copper wire on the 10 Ohm 10W resistor
- All grounds must be teid seperately to one point and then connected to the supply ground
- The operating voltage for the amplifier is V+ = +35VDC and V- = -35VDC
- Heat sink of thermal resistance less than 2K/W is required for full power operation
Back to my Homepage