IL Timer 555

Il timer 555 è un circuito integrato progettato allo scopo di fornire impulsi di durata prestabilita. In pratica il timer 555 è un temporizzatore.

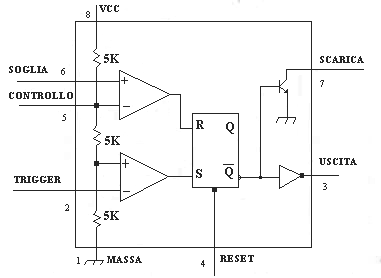
Lo schema a blocchi del circuito integrato “Timer 555” è il seguente:

Possiamo notare tre resistori uguali da 5 KW , aventi lo scopo di dividere la tensione di alimentazione Vcc per avere due tensioni di riferimento multiple di 1/3 di Vcc; in fatti tra il resistore inferiore e massa, cioè sul morsetto non invertente del comparatore (operazionale) in basso, abbiamo una tensione pari a 1/3Vcc e tra il secondo resistore e massa, cioè sul morsetto invertente del comparatore in alto, abbiamo una tensione pari a 2/3Vcc.

Il primo comparatore, quello superiore, è collegato con l'ingresso invertente a 2/3Vcc, mentre l'ingresso non invertente è disponibile all'esterno (piedino 6) ed è chiamato soglia. In pratica quando la tensione sul piedino 6 è maggiore di 2/3Vcc l'uscita del primo comparatore si porta a livello logico alto (1); quando, invece, la tensione sul piedino 6 è inferiore a 2/3Vcc l'uscita del primo comparatore si porta a livello basso (0).

Il secondo comparatore , quello inferiore, è collegato con l'ingresso non invertente a 1/3Vcc, mentre l'ingresso invertente è disponibile all'esterno (piedino 2) ed è chiamato trigger. In pratica quando la tensione sul piedino 2 è maggiore di 1/3Vcc l'uscita del secondo comparatore si porta a livello logico basso (0); quando, invece, la tensione sul piedino 2 è inferiore a 1/3Vcc l'uscita del secondo comparatore si porta a livello alto (1).

Le uscite dei due comparatori sono applicate in ingresso ad un latch di tipo S-R.

Il latch di tipo S-R è un circuito logico con due ingressi e due uscite. L'ingresso SET, posto a 1 obbliga l'uscita Q a portarsi a 1; l'ingresso RESET, quando si trova a livello logico 1, porta l'uscita Q a zero, cioè l'azzera. La tabella di verità è la seguente:

 

 

SET

RESET

Q

/Q

 

 

 

 

 

 

 

 

0

0

Q

/Q

 

 

0

1

0

1

 

 

1

0

1

0

 

 

1

1

Indeterminato

Indeterminato

 

 

 

 

 

 

 

 

Nel timer 555 delle due uscite l'uscita Q non viene utilizzata, ma viene usata solo l'uscita Q negato (in effetti l'uscita al piedino 3 è vera). Se Q negato si trova a livello alto, manda in saturazione il transistor e quindi il piedino 7 viene collegato a massa, permettendo la scarica del condensatore, che di solito, viene applicato al piedino 7; se invece l'uscita Q negato si trova a livello basso il transistor è interdetto, quindi il piedino 7 si trova isolato da massa, permettendo la eventuale carica del condensatore. Sull'uscita Q negato è applicato un invertitore, che trasforma l'uscita Q negato in uscita Q, rendendo disponibile una elevata corrente in uscita.

Il timer 555 può essere utilizzato sia come multivibratore astabile, che come bistabile.

 

GiorginiGiorgio@tin.it