IL Timer 555



IL MULTIVIBRATORE ASTABILE CON TIMER 555

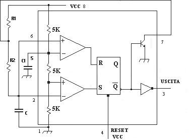
 Il multivibratore astabile è un circuito in grado di generare una forma d'onda rettangolare, senza nessun segnale applicato in ingresso. Lo schema elettrico, realizzato con il timer 555, è il seguente:






Supponendo che inizialmente il condensatore C sia scarico, gli ingressi dei due comparatori sui piedini 2 e 6 si trovano a livello basso; il comparatore superiore dà in uscita un livello basso, quindi R=0; il comparatore inferiore dà in uscita un livello alto, quindi S=1; il flip-flop S-R pone Q=1, mentre /Q=0; l'uscita del timer (piedino 3) si trova a livello alto; il transistor è interdetto, poiché la base non è polarizzata ed il piedino 7 si trova isolato da massa, il condensatore C può caricarsi attraverso i resistori R1 ed R2 che si trovano in serie.

Quando la tensione ai capi del condensatore C raggiunge il calore di 1/3Vcc, il comparatore inferiore commuta e si porta a livello basso: S=0; il flip-flop S-R non commuta perché anche R=0, la parte restante del circuito resta nello stato iniziale ed il condensatore continua a caricarsi. Quando la tensione ai capi del condensatore C raggiunge i 2/3Vcc allora il comparatore superiore commuta, portando la sua uscita a livello alto: R=1; il flip-flop S-R pone Q=0 e /Q=1; l'uscita del timer si porta a livello basso; il transistor va in saturazione, collegando il piedino 7 a massa; il condensatore è costretto a scaricarsi attraverso il solo resistore R2.

Quando la tensione ai capi del condensatore C scende al di sotto di 1/3Vcc allora il comparatore inferiore commuta, portando S=1, mentre R=0 appena iniziata la scarica. Il flip-flop avendo S=1 porta la sua uscita Q a 1, e /Q a 0; l'uscita del timer si porta a livello alto; il transistor è interdetto, il condensatore ricomincia inizia a caricarsi, ripetendo il ciclo precedente con un andamento illustrato dalla figura.


Trascurando il tempo iniziale di carica Ti, in cui il condensatore parte da tensione zero, indichiamo con T1 il tempo in cui l'uscita si mantiene a livello alto, ed il condensatore si carica; T1 lo possiamo calcolare con la seguente formula: T1 = 0,693 (R1+R2) C

Infatti il condensatore si carica attraverso R1 ed R2.

T2, il tempo in cui l'uscita si mantiene a livello basso, si può calcolare così: T2 = 0,693 R2 C

Sommando i due tempi otteniamo il periodo cioè: T = T1 + T2

La frequenza sarà:f = 1/T

Si dice duty-cicle D il rapportoto tra T1 e T, cioè: D=T1/T

Si può notare che è impossibile ottenere un duty-cicle pari al 50%, cioè T1 = T2, cioè il tempo in cui la forma d'onda è a livello alto è uguale al tempo in cui la forma d'onda è a livello basso; per ottenere questo dovremmo porre R1 = 0; però R1 è la resistenza di collettore del transistor interno, e non può avere valori molto bassi per evitare di bruciare il transistor. Per ottenere duty-cicle vicini al 50% possiamo usare per R1 valori intorno ai 1000 ohm ed usare per R2 valori molto più alti di R1 oppure utilizzare uno dei molti schemi per avere duty-cicle del 50% che vedremo in seguito.

Il condensatore C1 serve a filtrare la tensione di riferimento. Il morsetto di RESET va collegato a + Vcc durante il funzionamento.

 

 

 

 

 

 

 

GiorginiGiorgio@tin.it