Books

Computers

Electrical Items

Electronic Components

Electronic Equipment

General

Kits Summary

Kits TX

Kits RX

Kits 60KHz

Kits AF

Mechanical

Microwave

Radio Equipment

Videos about China

Radio before 1939

Radio 1939-45

HOME PAGE





     
Kits for MSF Clock and 60 kHz
MSF Clock

Time wrong ? MSF CLOCK is EXACT, never gains or loses, SELF SETTING at switch-on, 8 digits show Date, Hours, Minutes and Seconds, larger digit Hours and Minutes for easy "quick glance" time, 24 hour format, automatic GMT/BST and leap year - and leap seconds, expandable to Years, Months, Weekday and Milliseconds or use as a stopclock to show event time, also parallel BCD (including Weekday) output for computer or alarm and audio to record and show time on playback, precise minute and seconds pulses, receives Rugby 60 kHz atomic time signals, needs only meter and speaker to tune, built-in antenna, 1000 km range (provision for external antenna beyond), needs 12 V at 150 mA, 5 x 8 x 15 cm, 400 g.
"complete and well documented", Radio and Electronic Constructor.
"particularly satisfied with the pcbs", BIL in Rochdale.
"neat looking", CMT in Malta.
"interference immunityhigher than other makes", RAF in Sussex.
"worked first time ... superb kit", MDA in Luton.
"very good signal", RWD in Saudi Arabia.
"well made, very interesting", PC in Eire.

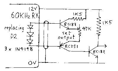
60 kHz Rugby Receiver

Narrowband (100 Hz) superhet receiver as in MSF Clock, outputs for audio, "S" meter and serial data - with decoding details, Basic listings for local, GMT and sidereal time, built-in antenna, easily retuned 10-150 kHz, 50 dB agc, 5 x 8 x 15 cm, 250 g, needs 12 V at 10 mA.
"your design is the best", RM in Staffs.
"worked first time", SJP in Cheshire.


136 kHz DX ?

The Cambridge Kits 60 kHz Receiver can easily be modified to the new 136 kHz Amateur Radio Band, simply by changing a few components and retuning. The 60 kHz Receiver, intended for the Cambridge Kits MSF Clock, features narrowband I.F. (only 100 Hz wide), 50 dB AGC range, built-in directional antenna, outputs for an "S" meter and headphones or a speaker amplifier, provision for an external antenna, needs only 10mA at 12V.


WEATHER FACSIMILE FORECASTS

Get weather facsimile forecasts on 131.8 kHz (France) and 134.2 kHz (Germany) by retuning the 60 kHz Receiver with new values, C4 470 pF, C7 180 pF, C9 2200 pF, T4 2N2369. The modulation is white + 150 Hz, black - 150 Hz.



FORECAST  AURORAS

Get 30 hours notice of auroras, and possible VHF openings, by monitoring the strength of U.S.A. VLF signals on 17.8 or 21.4 kHz. Just look for a solar flare causing a sudden increase of about 6 dB, and recovery after about 1 hour. Retune with the 60 kHz Receiver with additional capacitors, C2 + 180 pF, C4 + 47 nF, C8 + 47 nF, C9 + 47 nF, C10 + 100 nF. Use this circuit to feed a chart recorder or A/D converter.



Analogue Display of MSF Time

Use the Seconds and Minutes outputs of the MSF Clock to drive analogue stepper clocks from the MSF Clock's internal 11 V supply as follows.

SYNCHRONOME needing 2 pulses/minute - adjust the potentiometerfor 2 pulses on the minute.

SYNCHRONOME with 3000 ohm coil needing alternate polarity 24 V each minute (just works with 11 V)

Domestic QUARTZ movement, 1.5 V battery driven, 60 ohm coil needing 1 pulse each second.



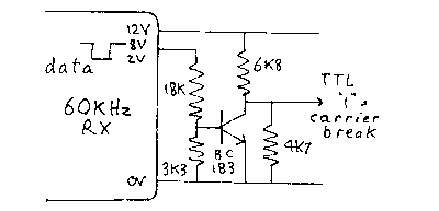
TTL INTERFACE

TTL interface for Data from 60 kHz Receiver.



BST to GMT Converter

BST to GMT (or any other time zone) converter circuit in Wireless World, 1981 Aug, page 56.


Telephone Answering

Find the date and time of every telephone call you receive. Record the 3 kHz audio output of the MSF Clock with the message, then play it back through the MSF Clock to see the Date and Time. Play back through a Tunable Audio Notch Filter set to 3 kHz to hear the message.


For more information, prices, freight to your country, insurance, methods of payment etc please e-mail [email protected]
Page Top