IL Timer 555



IL MULTIVIBRATORE MONOSTABILE CON TIMER 555

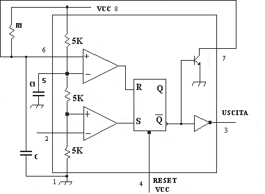
Il multivibratore monostabile genera un impulso rettangolare in uscita per ogni impulso esterno in ingresso. Lo schema elettrico è il seguente:






Il monostabile ha un solo stato stabile, nel nostro caso l'uscita si mantiene sempre a livello basso finché non arriva un impulso dall'esterno, sul piedino 2 (trigger). Infatti mantenendo a livello alto il piedino 2, il comparatore inferiore dà in uscita un valore basso; quindi S=0; invece il comparatore superiore, supponendo il condensatore inizialmente scarico, dà in uscita 0; quindi R=0; quindi il latch S-R resta nella condizione di azzeramento, cioè Q=0; /Q =1; l'uscita del timer è zero; il transistor va in saturazione, essendo la base polarizzata direttamente, il piedino 7 si trova a massa, ed il condensatore C non si può caricare attraverso R. Il circuito si mantiene stabile con uscita a livello basso.

Quando arriva un impulso negativo al trigger, la tensione sul piedino 2 si porta a zero, il comparatore inferiore dà in uscita un livello alto; S=1; mentre R=0; immediatamente l'uscita Q del latch S-R si porta a 1, mentre /Q=0; l'uscita è quindi 1; il transistor è interdetto, il condensatore inizia a caricarsi attraverso il resistore R1; quando la tensione sul condensatore raggiunge i 2/3Vcc il comparatore superiore commuta portando l'uscita a livello alto, quindi R = 1; mentre il comparatore inferiore ha già la sua uscita a livello basso non appena il condensatore ha superato 1/3Vcc; quindi S = 0; l'uscita del latch si azzera, quindi Q =0 e /Q= 1; l'uscita del timer si porta a livello basso; il transistor va in saturazione scaricando il condensatore.

Il condensatore C1 serve come livellamento della tensione di riferimento. Il morsetto di RESET va collegato a + Vcc, in modo da escluderlo.




Se indichiamo con T il tempo in cui il condensatore si carica, si ha che:

T = 1,1 R1C

 

 

 

 

 

 

 

 

GiorginiGiorgio@tin.it